Este site utiliza cookies

Salvamos dados da sua visita para melhorar nossos serviços e personalizar sua experiência. Ao continuar, você concorda com nossa Política de Privacidade, incluindo a política de cookie.

Detalhes

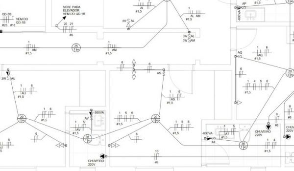
Projeto Elétrico - Reforma Centro Religioso

Reforma de uma casa de 723,22 m² da Diocese de Sete Lagoas (Salesianos), localizado no bairro Padre Eustáquio em Belo Horizonte. O projeto foi desenvolvido em BIM e contempla o projeto de Força, Iluminação e Telecomunicações, com plantas baixas elétricas, diagrama unifilar, quadro de cargas, planta de VDI, planta de eletrodutos e demais plantas e dados necessários em um projeto elétrico. O projeto possui o quantitativo de materiais completo.

Informações

Cliente:Centro Religioso

Categoria:Reforma e Projeto Elétrico

Área:723,22 m²

Localização:Belo Horizonte

Entre em contato